
Unified service hotline:
1511-8744-777
(7 days * 24 hours)
Tel:151 1874 4788 Su Gong
Tel:151 1874 4777 Pan Gong
Fax:0757-86401607
QQ:2486877456
mailbox:2486877456@qq.com
Address: Block D, No.2 Lianhe Avenue, Luocun, Nanhai District, Foshan City, Guangdong Province

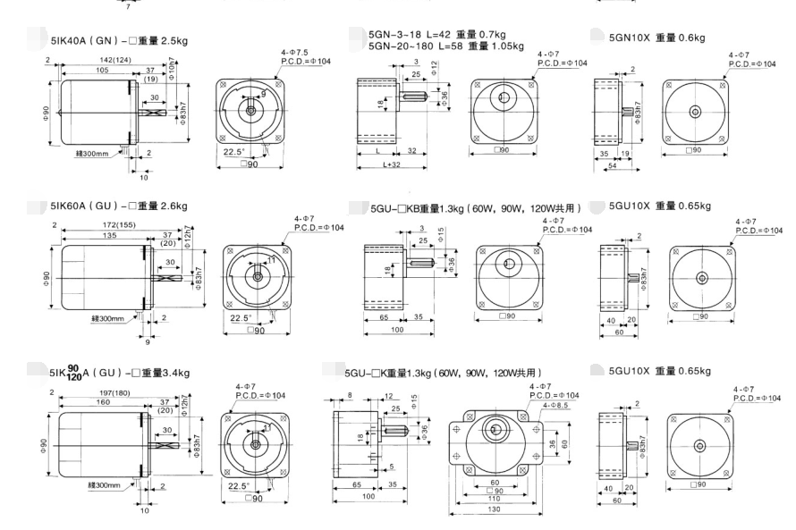
5IK交流微型電機(jī)可配齒輪減速箱,或者蝸輪蝸桿減速箱,行星減速器。5IK系列微型電機(jī)功率可選擇40W,60W,90W,120w